Err

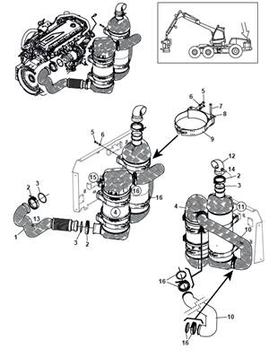
Echappement moteur stage 5, montage 9991673

Echappement moteur stage 5, montage 9991673

ECOLOG
(Code: EC9991673NC)
9991673NC
0g
Echappement moteur stage 5, montage 9991673
Livraison rapide sous 48h
Paiement 100% sécurisé - CB, Virement
Besoin d'un conseil ? Contactez-nous
 
Livraison rapide | Cuoq Forest Diffusion
Livraison rapide
En 48h ou Click&Collect
Paiement Sécurisé | Cuoq Forest Diffusion
Paiement sécurisé
CB, Virement
Satisfaction Client | Cuoq Forest Diffusion
Nos clients sont satisfaits
Découvrez leurs avis
Téléphone Cuoq Forest Diffusion
04 71 66 64 01
Contactez-nous