Err

Système électrique LM006209

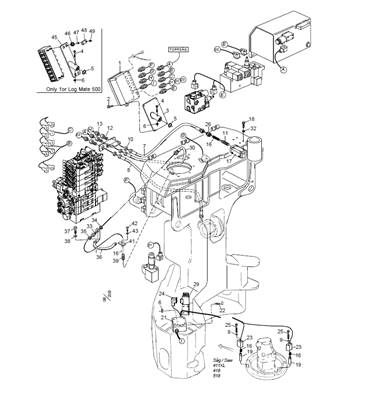
Système électrique pour votre tête d'abattage Log Max

Référence Log Max : 006209

LogMax
(Code: LM006209NC)
LM006209NC
0g
Système électrique pour votre tête d'abattage Log Max

Référence Log Max : 006209
Livraison rapide sous 48h
Paiement 100% sécurisé - CB, Virement
Besoin d'un conseil ? Contactez-nous
Articles complémentaires
 
Livraison rapide | Cuoq Forest Diffusion
Livraison rapide
En 48h ou Click&Collect
Paiement Sécurisé | Cuoq Forest Diffusion
Paiement sécurisé
CB, Virement
Satisfaction Client | Cuoq Forest Diffusion
Nos clients sont satisfaits
Découvrez leurs avis
Téléphone Cuoq Forest Diffusion
04 71 66 64 01
Contactez-nous