Err

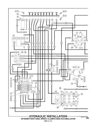
Installation hydraulique, scie intermittente, bras accumulateurs et couteaux

Installation hydraulique, scie intermittente, bras accumulateurs et couteaux 502

TCi
(Code: TC50230454S2NC)
50230454S2NC
0g
Installation hydraulique, scie intermittente, bras accumulateurs et couteaux
Livraison rapide sous 48h
Paiement 100% sécurisé - CB, Virement
Besoin d'un conseil ? Contactez-nous
 
Livraison rapide | Cuoq Forest Diffusion
Livraison rapide
En 48h ou Click&Collect
Paiement Sécurisé | Cuoq Forest Diffusion
Paiement sécurisé
CB, Virement
Satisfaction Client | Cuoq Forest Diffusion
Nos clients sont satisfaits
Découvrez leurs avis
Téléphone Cuoq Forest Diffusion
04 71 66 64 01
Contactez-nous