Err

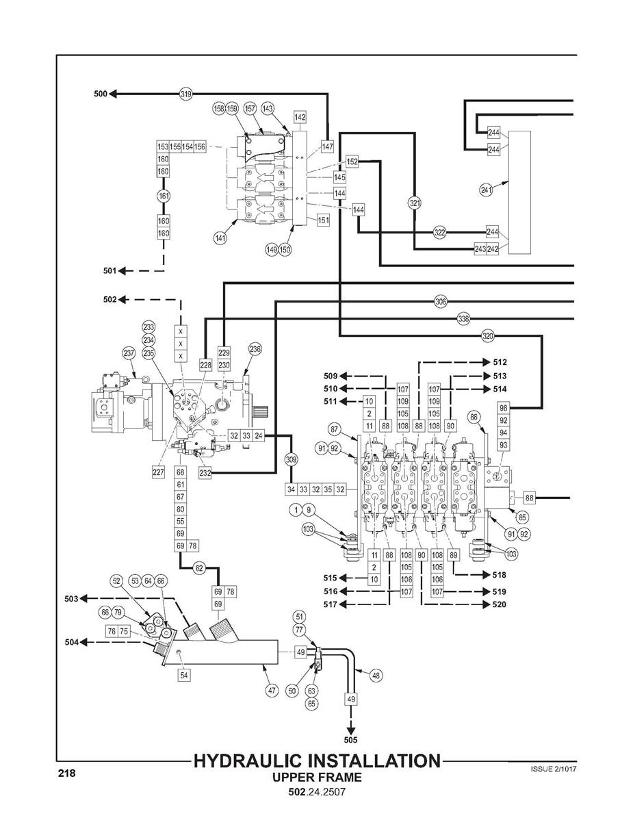
Installation hydraulique, chassis supérieur 502242507S3

Installation hydraulique, chassis supérieur 502242507S3

TCi
(Code: TC502242507S3NC)
502242507S3NC
0g
Installation hydraulique, chassis supérieur 502242507S3
Livraison rapide sous 48h
Paiement 100% sécurisé - CB, Virement
Besoin d'un conseil ? Contactez-nous
 
Livraison rapide | Cuoq Forest Diffusion
Livraison rapide
En 48h ou Click&Collect
Paiement Sécurisé | Cuoq Forest Diffusion
Paiement sécurisé
CB, Virement
Satisfaction Client | Cuoq Forest Diffusion
Nos clients sont satisfaits
Découvrez leurs avis
Téléphone Cuoq Forest Diffusion
04 71 66 64 01
Contactez-nous